深圳市東么川伺服控制技術有限公司
電話:13316379101
郵箱:1355229533@qq.com
地址:深圳市龍華區民治街道樟坑社區青創城A棟B502
三相異步電動機:降壓起動控制線路
發布時間:2021-05-08 06:43:32
三相異步電動機分三相鼠籠式和繞線式兩種。三相鼠籠式異步電動機的結構簡單、價格便宜、應用廣泛。但鼠籠式電動機有一個缺點,就是不便于調速。實際上中小型鼠籠電動機很少用于調速的場合。三相繞線式異步電動機,轉子可以通過滑環串接外加電阻,從而可以減小起動電流和提高起動轉矩,可以通過改變串接外加電阻值的大小而進行調速,適用于要求起動轉矩高及調速的場合。
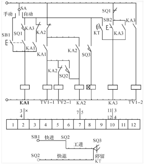
終點延時停留功能的滑臺控制電路

通過開關或接觸器,將額定電壓直接加在定子繞組上使電動機起動的方法,稱為直接起動,也叫全壓起動。這種方法的優點是起動設備簡單,起動轉矩較大,起動時間短,缺點是起動電流大(起動電流為額定電流的5~7倍)。當電動機的容量很大時,過大的起動電流將會造成線路的電壓下降,這不僅會影響到電動機的起動轉矩,嚴重時,會導致電動機本身無法起動。因此直接起動只能用于電源容量較電動機容量大得多的情況。電源容量是否允許電動機在額定電壓下直接起動,可根據下式判斷

式中:IST為電動機全壓起動的起動電流;IN為電動機額定電流。
本節主要介紹降壓起動控制線路。
相關問題:三相異步電動機的工作原理是什么?
當向三相定子繞組中通入對稱的三相交流電時,就產生了一個以同步轉速n1沿定子和轉子內圓空間作順時針方向旋轉的旋轉磁場。由于旋轉磁場以n1轉速旋轉,轉子導體開始時是靜止的,故轉子導體將切割定子旋轉磁場而產生感應電動勢(感應電動勢的方向用右手定則判定)。由于轉子導體兩端被短路環短接,在感應電動勢的作用下,轉子導體中將產生與感應電動勢方向基本一致的感生電流。轉子的載流導體在定子磁場中受到電磁力的作用(力的方向用左手定則判定)。電磁力對轉子軸產生電磁轉矩,驅動轉子沿著旋轉磁場方向旋轉。
通過上述分析可以總結出電動機工作原理為:當電動機的三相定子繞組(各相差120度電角度),通入三相對稱交流電后,將產生一個旋轉磁場,該旋轉磁場切割轉子繞組,從而在轉子繞組中產生感應電流(轉子繞組是閉合通路),載流的轉子導體在定子旋轉磁場作用下將產生電磁力,從而在電機轉軸上形成電磁轉矩,驅動電動機旋轉,并且電機旋轉方向與旋轉磁場方向相同。
- 上一篇:閉環步進電機選型注意事項
- 下一篇:貼標機用步進電機還是伺服電機?
產品推薦:兩相步進電機
產品推薦:無刷電機
產品推薦:兩相步進驅動器
產品推薦:直流無刷驅動器




























地址 ADDRESS